詳細信息
特點:
·標準配備有步進電機和標準RS232接口,配合A-SC系列運動控制器可實現自動控制
·進口高品質滾珠螺桿驅動,重復定位精度好,壽命長
·新型軸端結構,防止螺桿松動,特別適合高速往復使用
·導軌采用精密線性滑塊導軌(方形,整體與底板連接),運動舒適,承載大,適合單軸重載或多軸組合使用
·步進電機和滾珠螺桿通過進口高品質彈性聯軸節連接,傳動同步且噪音小
·配有手輪,方便調試
·兩端裝有零位和限位開關,方便準確定位和保護產品
·底座有標準孔距的螺紋孔和通孔,方便安裝固定
·可換裝伺服電機,實現高速重載
技術參數:
|
產品型號
|
A-TS105
|
|
行程
|
250mm
|
|
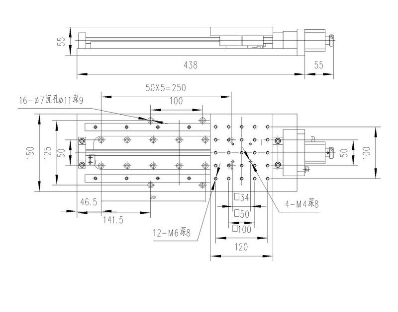
臺面尺寸
|
120x150mm
|
|
導軌
|
線性滑塊
|
|
螺桿導程
|
4mm
|
|
分辨率
|
0 .00125mm/s
|
|
最大速度
|
25mm/s
|
|
重復定位精度
|
<0.005mm
|
|
直線度
|
0.018mm
|
|
最大靜轉矩
|
40Ncm
|
|
最大中心負載
|
30kg
|
|
自重
|
4.9kg
|
