歡迎進入北京平渡智金機械科技有限公司官網!www.m.expanding-tool.com
13601070501
010-52885786 52885796

特點:
·標準配備有步進電機和標準RS232接口,配合A-SC系列運動控制器可實現自動控制
·進口高品質滾珠螺桿驅動,重復定位精度好,壽命長
·新型軸端結構,防止螺桿松動,特別適合高速往復使用
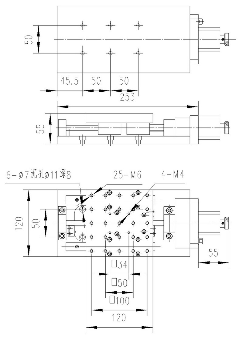
·導軌采用精密線性滑塊導軌(方形,整體與底板連接),運動舒適,承載大,適合單軸重載或多軸組合使用
·步進電機和滾珠螺桿通過進口高品質彈性聯軸節連接,傳動同步且噪音小
·配有手輪,方便調試
·兩端裝有零位和限位開關,方便準確定位和保護產品
·底座有標準孔距的螺紋孔和通孔,方便安裝固定
·可換裝伺服電機,實現高速重載
產品型號
A-TS111
50mm
導軌
線性滑塊
